
MAESTRO 4S
8936800
Maestro 4S/450 8936745 Maestro 4S/600
8930800 Maestro 4M
discontinued model with standard blades
8933955 Maestro 4M
discontinued model with titanium coated blades
The MAESTRO 4S
replaces the Maestro 4M.
Maestro 4S is designed to separate both large and small PCBs quickly, economically and
without stress. Cutting with only a single traverse of the
pre-scored groove causes tensile and compressive stresses that
can damage sensitive components near the groove.
Even a second
traverse of the groove accompanied by an adjustment of the blade
distance substantially reduces the tensile and compressive
stresses. This significantly improves the quality of the
populated PCBs.
The most
important features:
- The blade
distance is entered on the operating panel and its adjustment
is motor-powered.
- Up to nine
programs can be stored.
- The
materials used for PCBs are FR4 and aluminum
- The
continuously adjustable separation length is set with limit
switches.
- The
accumulated cutting performance is displayed for the purpose
of scheduling preventive maintenance of the blade.
|
PART NUMBER |
DESCRIPTION |
|
8936800 |
PCB Separator MAESTRO 4S/450 |
|
8936800.520 |
PCB Separator MAESTRO 4S/450/alu |
|
8936745 |
PCB Separator MAESTRO 4S/600 |
|
8936745.520 |
PCB Separator MAESTRO 4S/600/alu |
|
8970208 |
Dial gauge (included) |
|
8931240 |
Conveyor belt 450 |
|
8932150 |
Conveyor belt
600 |
Maestro 4S Specs
PDF
top
|
|

|
|
Material: FR4 1.5 mm
Residual thickness approx. 0.6 mm
|
For separating aluminum with the MAESTRO 4S we recommend
using the FR4 circular blade with special blade settings.
Various aluminum alloys are used in the manufacture of
PCBs.
We recommend submitting sample PCBs with the order
in order to optimize the cutting geometry and for the
correct adjustment of the circular blades. |
 |
Blade Adjustment
The circular and linear blades must be precisely guided
across the entire separation length in order to achieve
stress-free separation and a long service life.
The measuring system is mounted on a carriage for
setting and regularly checking the parallelism.
|
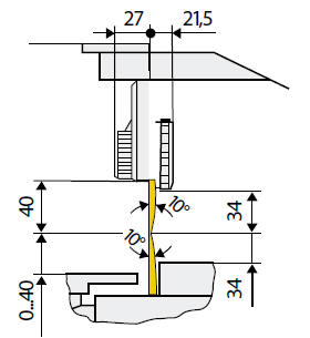
Maximum
height
of components next to the groove. |
|
Maestro 4S Specs
PDF
top
TECHNICAL DATA
|
4S/450
|
4S/600
|
|
Separation type |
Component side: circular
blade
Solder side: linear blade |
|
Operation |
optimized motor driven |
|
Separation speed |
300/500 mm/s to be switched |
|
Material |
FR4, aluminum |
|
Height of components |
Solder and component sides up to 34 mm |
|
Continuously adjustable separation length |
up to 450 mm |
up to 600 mm |
|
Width of supporting table |
200 mm |
|
Programming |
|
Start |
Traverse to starting position |
| Programs |
9 |
| Separation
steps |
1-5 |
| Blade
distance |
0.9 mm
up to 0.05 mm |
| Key button |
Unlock
program selection |
| Cutting
performance display |
up to
99 km |
| DEL |
Step
reset |
| Power
switch |
ON /
OFF |
| Foot
switch |
START
separation |
| Safety
switch |
Emergency stop |
| |
|
|
Power supply |
100–240
VAC 50/60 Hz |
| Emission
sound pressure level |
LpA <
70 dB (A) |
Temperature/humidity:
operation
Temperature/humidity: storage
Temperature/humidity:
transport |
+10–35°C / 10–85% not condensing
0–60°C / 20–80% not condensing
-25–60°C / 20–80% not
condensing |
| Weight |
38 kg |
46 kg |
| Height x
Depth |
434 x
425 mm |
| Width |
702 mm |
852 mm |
| Approvals |
CE, FCC class A |
0>
All the new
Maestro units come with Titanium coated blades.
Following
are the part numbers of the replacing blades and guides for the
Maestro 4S models.
|
REPLACEMENT PARTS
|
|
  |
1
2
3
4
4 |
8930509.001
8936615.001
8936614.001
8933394.001
8933682.001 |
Circular
blade
Blade protection
Blade protection
Linear blade 450
Linear blade 600 |
For a list of
the standard steel blades
8930501, 8930668,
etc.
click here.
Maestro 4S Specs
PDF
|